
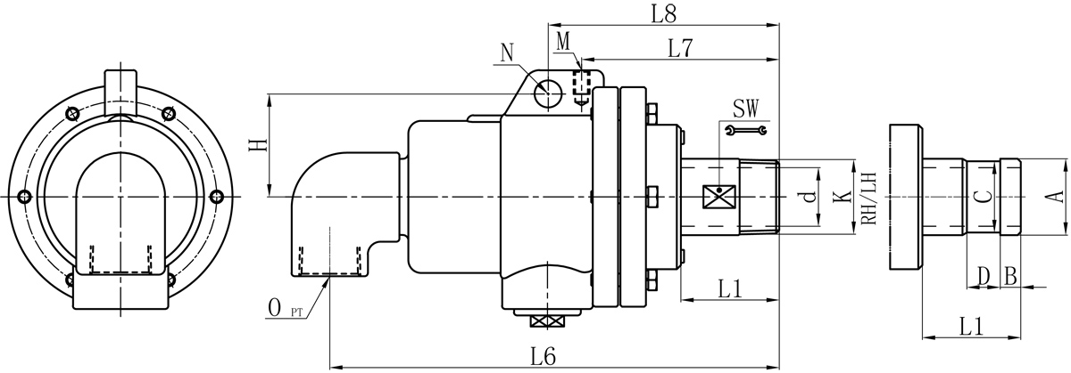
| Model | K | O | d | L1 | L6 | L7 | L8 | M | N | H | SW | 法兰式外管尺寸比照表 | |||
| A | B | C | D | ||||||||||||
| 32A | R1-1/4" | Rc1-1/4" | 30 | 55 | 245 | 108 | 124 | M10 | 14 | 60 | 41 | 40 | 13 | 38 | 20 |
| 40A | R1-1/2" | Rc1-1/2" | 36 | 62 | 280 | 133 | 149 | M10 | 16 | 71 | 45 | 47.8 | 13 | 45 | 20 |
如属规格品外,,,,,,,,本公司可配合要求制作。。。。。
规格尺寸若有修改,,,,,,,,恕不另行通知。。。。。
Copyright ?yl6809永利 版权所有 闽ICP备05026600号 中机标准化研究院 网站建设:科伟网络