yl6809永利

yl6809永利(集团)有限公司官网
yl6809永利(集团)有限公司官网

旋转讨论

首页 - 产品展示

yl6809永利(集团)有限公司官网

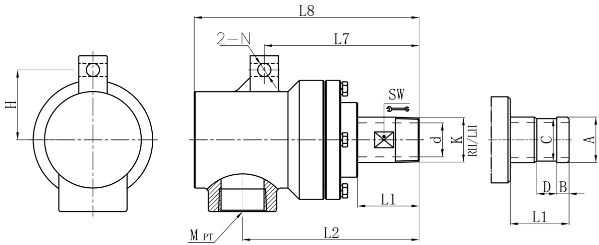
YJ2型 单通路

型号:YJ2D、YJ2DF
外管:螺纹或法兰
特征:球面密封设计;;; ;; 标准碳石墨密封手艺;;; ;; 宽间距多道无油轴承支持;;; ;; 细密铸铁壳体;;; ;; 单通路和双通路设计;;; ;; 可自动调心;;; ;; 旋转轴外貌经耐磨损、耐侵蚀处置惩罚;;; ;; 密封磨损刻度线,,, ,,,,可预防性维护设计;;; ;; 偏摆顺应性强。。 。。。。。。

手艺参数:
适用介质 导热油、蒸汽
最高温度 ≤300℃(热油)、≤220℃(蒸汽)
最高压力 ≤1.8MPa
最高转速 ≤200rpm

产品咨询 返回列表

销售效劳热线:

0595-8686 1188

yl6809永利(集团)有限公司官网


Model K M d L1 L2 L7 L8 N H SW 法兰式外管尺寸比照表
A B C D
20A R3/4" Rc3/4" 18 49 141 125 170 10 56 24 26 11 24 16
25A R1" Rc1" 23.5 54 147 131 181 12 60 32 34 12 32 18
32A R1-1/4” Rc1-1/4" 30 57 161 140 205 14 68 39 40 13 38 20
40A R1-1/2” Rc1-1/2" 36 67 186 163 260 14 74 45 47.8 13 45 20
50A R2” Rc2" 45 72 212 170 285 14 97 58 60 16 57 24

如属规格品外,,, ,,,,本公司可配合要求制作。。 。。。。。。
规格尺寸若有修改,,, ,,,,恕不另行通知。。 。。。。。。 

Copyright ?yl6809永利 版权所有 闽ICP备05026600号 中机标准化研究院 网站建设:科伟网络

【网站地图】